
Miniature Bearings Australia
A-35RS - Datasheet
MBA
Category Information
Suction CupsSuction Cups. EPDM or Natural Rubber as listed against each item
- EPDM is a higher grade rubber that rates excellent for ozone resistance and is used for molded parts used outdoors.
- SBR is Styrene-butadiene Rubber is a general purpose rubber but not recommended for continual use outdoors or in oily environments.
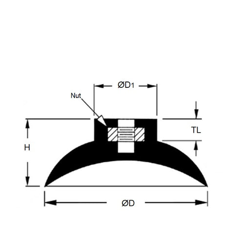
Product Data
- Diameter
:
38.100
mm
(Equiv. 1.5 in.) - Height
15.900
mm
(Equiv. 0.626 in.) - Description Hollow Neck with 8-32 Insert
- Colour Black
- Material Blend of natural rubber and SBR rubber
Product Compliance and Data
Additional Resources
Cross References
- A3-5
- A35


