
Miniature Bearings Australia
RPI-365-366-C - Datasheet
MBA
Category Information
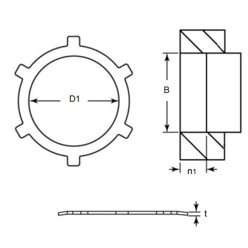
Retaining Rings - Push In Carbon SteelPush In Carbon Steel Retaining Rings. Thrust load shown is calculated for ideal conditions with mild steel bore.
Product Data
- Housing Bore (B) Min
:
36.45
mm
(Equiv. 1.435 in.) - Housing Bore (B) Max
36.55
mm
(Equiv. 1.439 in.) - Inside Clearance (D1)
28.58
mm
+ / - 0.50
(Equiv. 1.125 in.) - Thickness (t) 0.38 mm +/- 0.06
- Recommended Depth (n1) 1.52 mm
- Thrust Load 829 kg.cm
- Material Carbon Spring Steel Self Finish
Product Compliance and Data
Additional Resources
Cross References
- NoCor TI-143
- TI143
- N13050143APP
- N1305-0143-APP
- S73PH1-PIR005144
- S73PH1PIR005144


