
Miniature Bearings Australia
BF0350-0390-0300-AOI - Datasheet
MBA
Category Information
Bushes - Flanged - Plastic - Acetal - Oil ImpregnatedOil Impregnated Acetal Plastic Flanged Bushes. Oil impregnated acetal with self-lubricating characteristics.
- An expanded range may be available on special order. Please enquire.
Product Data
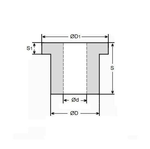
- Nominal Inside Diameter (d)
:
35.000
mm
(Equiv. 1.378 in.) - Nominal Outside Diameter (D)
39.000
mm
(Equiv. 1.535 in.) - Length (s)
30.000
mm
(Equiv. 1.181 in.) - Flange OD (D1) 49.00 mm
- Flange Thickness (s1) 2.00 mm
- Material Acetal Oil Filled
Product Compliance and Data
Additional Resources
- DU Bush Material Information
- General Bushes Catalogue
- Sintered Bronze Products Catalogue
- Solid Bronze Bushes catalogue
Cross References
- DAIDO DBS3530-49F
- DBS353049F



