
Miniature Bearings Australia
SUG-560RS - Datasheet
MBA
Category Information
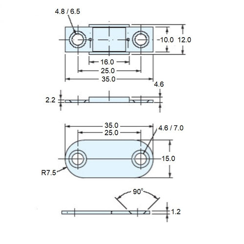
Catches - Magnetic Ultra Thin - Light DutyLight Duty Magnetic Ultra Thin Catches. Ultra thin strong magnetic catch is perfect for tight areas. Has 2.5 kg of magnetic force.
Product Data
- Length
:
35
mm
(Equiv. 1.378 in.) - Width
12
mm
(Equiv. 0.472 in.) - Height
2.2
mm
(Equiv. 0.087 in.) - Strike Length 35 mm
- Strike Width 15 mm
- Strike Height 1.2 mm
- Magnetic Force 3 kg
Product Compliance and Data
Additional Resources


