
Miniature Bearings Australia
0T-0349-0222-0165-SB - Datasheet
MBA
Category Information
Tube - Round - Sintered BronzeSintered Bronze Round Tube. Oil impregnated sintered bronze tubing - self lubricating. B438 grade 1, Type 2 - AMS4805-D. SAE 841 Type 1, Class A
- Round tubing are available in many different materials.
- Includes K&S Metals range and more
- Sizes listed are FINISHED SIZE. Product supplied will be larger on OD and smaller on ID to allow for machining.
Product Data
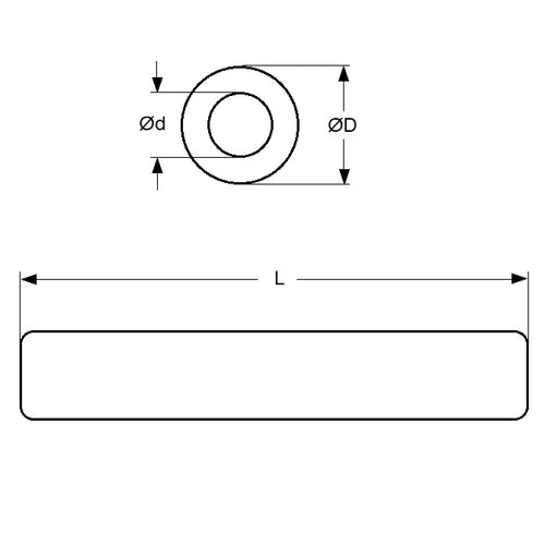
- Nominal Outside Diameter
:
34.93
mm
+ 0.80 / + 3.20
(Equiv. 1.375 in.) - Nominal Inside Diameter
22.23
mm
- 0.80 / - 3.20
(Equiv. 0.875 in.) - Length (L)
165.1
mm
(Equiv. 6.5 in.) - Material Bronze SAE 841 Sintered
Product Compliance and Data
Additional Resources
Cross References
- Oilite CC-1301
- Oilube CC-1301
- A7B4-SCB0711
- A7B4SCB0711
- CC1301


