
Miniature Bearings Australia
UR-137 - Datasheet
MBA
Category Information
Retaining Rings - Internal - Spiral Rings - Light Duty - Carbon SteelCarbon Steel Light Duty Spiral Rings Internal Retaining Rings. Includes series CI / VH / UR - Spring Steel
- An expanded range may be available on special order. Please enquire.
- Light duty rings for use in low clearance applications.
- Also used as a positioning point for light loads.
- Radius notch on one end for removal.
- Narrow radial wall yields moderate thrust loads.
- Equivalent to Associated Spring: CI, Smalley: VH, Spirolox and Ramsey: UR
Product Data
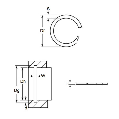
- Housing Bore (B)
:
34.93
mm
(Equiv. 1.375 in.) - Clip Thickness (T)
0.64
mm
+/- 0.04
(Equiv. 0.025 in.) - Groove Dia. (Dg)
36.04
mm
(Equiv. 1.419 in.) - Approx. Loose Circlip OD (Dr) 36.61 mm + 0.38 / - 0.00
- Radial Wall (S) Approx. 2.24 mm + 0.08 / - 0.13
- Groove Width (W) 0.79 mm +/- 0.10
- Approx. Loose Clip ID 32.13 + 0.05 / - 0.00
- Groove Depth (d) 0.56
- Material Carbon Spring Steel
Product Compliance and Data
Additional Resources
Cross References
- Associated Spring CI-137
- Smalley UR-137
- Spirolox UR-137
- Smalley VH-137
- CI137
- UR137
- VH137


