
Miniature Bearings Australia
CCF130RS - Datasheet
MBA
Category Information
Roller Followers - StandardStandard Roller Followers. This is the main category in this series
Product Data
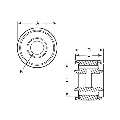
- Diameter (A)
:
34.925
mm
(Equiv. 1.375 in.) - Overall Width (D)
20.638
mm
(Equiv. 0.813 in.) - Bore (B)
9.525
mm
(Equiv. 0.375 in.) - Width (C) 19.050 mm
- E 25.400 mm
- Dynamic Load Rating 1782.618 kg
- Static Load Rating 3855.535 kg
- Material Steel
Product Compliance and Data
Additional Resources
Cross References
- 6831K45
- CCF-130
- CCF130


