
Miniature Bearings Australia
MSM-191C-102-C-2LH - Datasheet
MBA
Category Information
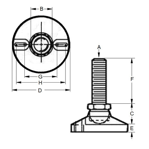
Mounts - Levelling Studded - Swivel - With Lag HolesWith Lag Holes Swivel Levelling Studded Mounts. Levelling adjusters. 15o swivel off centreline to adjust to uneven surfaces and level machine tools, electronic racks and benches. Lag holes alow base to be secured.
- An expanded range may be available on special order. Please enquire.
- Hardened ball prevents galling and forms it's own seat.
- Large diameter pad design assures solid support.
- Zinc plated with gold chromate finish.
Product Data
- Thread Size (A) : 3/4-10 UNC (19.05mm)
- Base Diameter (D)
76.2
mm
(Equiv. 3 in.) - Foot Height (C)
38.1
mm
(Equiv. 1.5 in.) - Thread Length (F) 101.6 mm
- Base Height (E) 12.70 mm
- Overall Height 139.7 mm
- Load Rating 3270 Kg
- Finish Gold Chromate
- Cap Screw to Suit (I) 3/8-16 UNC (9.525mm)
- G 46.736
- Hex Flats (B) 26.975 mm
- Material Steel
Product Compliance and Data
Additional Resources
Cross References
- MSM3270191CLHB
- RSL-1003
- RSL1003


