
Miniature Bearings Australia
MLM-080M-038-CNY-0LH-049 - Datasheet
MBA
Category Information
Mounts - Levelling Studded - Light Duty - Nylon - No Lag HolesNo Lag Holes Nylon Light Duty Levelling Studded Mounts. Adjusters.
- An expanded range may be available on special order. Please enquire.
Product Data
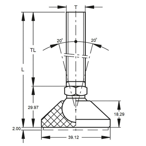
- Thread Size (A) : M8 (8x1.25mm)
- Base Diameter (D)
48.8
mm
(Equiv. 1.921 in.) - Foot Height (C)
18.3
mm
(Equiv. 0.72 in.) - Thread Length (F) 38.0 mm
- Base Height (E) 30.0 mm
- Overall Height 68.00 mm
- Load Rating 315 Kg
- Material Steel
Product Compliance and Data
Additional Resources
Cross References
- RL3235P
- RL-3235-P
- MLM0315M08LNC
- MLM0038M08LNC


