
Miniature Bearings Australia
MLM-095C-048-CNY-0LH - Datasheet
MBA
Category Information
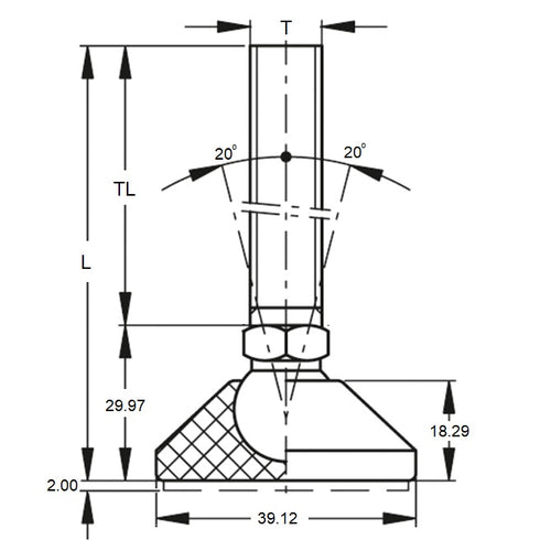
Mounts - Levelling Studded - Light Duty - Nylon - No Lag HolesNo Lag Holes Nylon Light Duty Levelling Studded Mounts. Adjusters.
- An expanded range may be available on special order. Please enquire.
Product Data
- Thread Size (A) : 3/8-16 UNC (9.53mm)
- Base Diameter (D)
39.1
mm
(Equiv. 1.539 in.) - Foot Height (C)
18.3
mm
(Equiv. 0.72 in.) - Thread Length (F) 47.8 mm
- Base Height (E) 18.2 mm
- Overall Height 66.04 mm
- Load Rating 315 Kg
- Material Steel
Product Compliance and Data
Additional Resources
Cross References
- RL-2520-P
- RL2520P
- MLM0315095CNC
- MLM0048095CNC


