
Miniature Bearings Australia
RPI-317-318-Z - Datasheet
MBA
Category Information
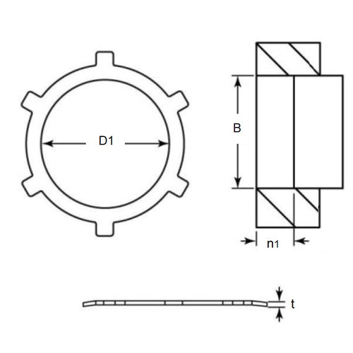
Retaining Rings - Push In Carbon SteelPush In Carbon Steel Retaining Rings. Thrust load shown is calculated for ideal conditions with mild steel bore.
Product Data
- Housing Bore (B) Min
:
31.70
mm
(Equiv. 1.248 in.) - Housing Bore (B) Max
31.80
mm
(Equiv. 1.252 in.) - Inside Clearance (D1)
23.83
mm
+ / - 0.26
(Equiv. 0.938 in.) - Thickness (t) 0.38 mm +/- 0.06
- Recommended Depth (n1) 1.52 mm
- Thrust Load 829 kg.cm
- Material Steel Zinc Plated
Product Compliance and Data
Additional Resources
Cross References
- NoCor TI-125-ZD
- TI125ZD
- N13050125APP
- N1305-0125APP
- N1305-0125-APP
- S73PH1PIR005125
- S73PH1-PIR005125


