
Miniature Bearings Australia
WR14140A-ZZ-NR - Datasheet
MBA
Category Information
Bearings - Single Row Ball - with Snap Ring - Extended InnerExtended Inner with Snap Ring Single Row Ball Bearings. Single row radial ball bearings with extended inner ring (wide inner ring) and a snap ring on the OD.
- Single row radial ball bearings are arguably the most common, widely used type of bearing. They consist of an inner ring, an outer ring, a set of balls, and a cage that retains the balls in a circular path.
- Single row radial ball bearings are commonly used in a wide range of applications, including electric motors, fans, pumps, gearboxes, agricultural equipment, appliances, and automotive components.
- They are versatile, cost-effective bearings that provide reliable support for radial loads and some axial loads in one direction. An expanded range may be available on special order. Please enquire.
- If the size you require is not available, you might consider using a standard bearing with shim washers.
Product Data
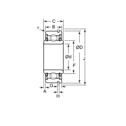
This bearing has a snap ring on the OD
- ID (d)
:
31.750
mm
+ 0.000 / - 0.0127
(Equiv. 1.25 in.) - OD (D)
65.088
mm
+ 0.000 / - 0.0153
(Equiv. 2.563 in.) - Width (B)
19.050
mm
+ 0.000 / - 0.127
(Equiv. 0.75 in.) - Inner Ring Width (Bn) 22.225 mm + 1.588
- Flange Width (BF) 42.545 mm
- Bearing Type Radial with Snp Ring
- Notes Includes Snapring
- Material Chrome Steel SAE 52100
- Lubrication Type Grease
- Lubrication Name Standard Unspecified
- Basic Part WR14140A
- Limiting Speed 5000
- Cage Type Standard
- Static Load Rating KGf 1160
- Dynamic Load Rating KGf 2390
- Radii 0.89 mm
- Inner Shoulder (UI) 42.545mm
- Outer Shoulder (UO) Undefined mm
- Number of Balls Undefined
- Clearance CN (6 to 20)
- Precision Grade Abec 1
- Closure Type ZZ
- Max Temperature 120 Deg. C
Product Compliance and Data
Additional Resources
- Catalogue: Ceramic Bearings Catalogue
- Catalogue: Plastic Bearings Catalogue
- Catalogue: Standard Bearings Catalogue
- General: Bearing Cleanliness
- General: Bearing Clearances
- General: Bearing Flanges & Snap Rings
- General: Bearing Retainers (Cages)
- General: General Loads Information
- General: Lubrication
- General: Prefix & Suffix Guide
- General: Static vs Dynamic Loads
- Materials: 316 Stainless
- Materials: CASSTOP Anti-Corrosion Bearing Material
- Materials: Ceramic vs Ceramic Hybrid
- Materials: Ceramic Bearings in Vibratory Applications
- Materials: Ceramic Hybrid Bearings in Vibratory Applications
- Materials: General Bearing Materials
- Materials: Magnetism & Bearings
- Precision: 316 Stainless & Plastic Bearing Tolerances
- Precision: ABEC Basic Information
- Precision: Precision Bearing Tolerances
- Problem Solving: Bearing Failure
- Problem Solving: Fatigue (L10 Life)
- Problem Solving: Noise
Cross References
- SKF-9165
- SKF9165
- WR14140A
- WR14140A Basic Size Ref


