
Miniature Bearings Australia
CCF450RS - Datasheet
MBA
Category Information
Roller Followers - StandardStandard Roller Followers. This is the main category in this series
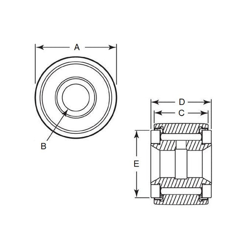
Product Data
- Diameter (A)
:
31.750
mm
(Equiv. 1.25 in.) - Overall Width (D)
20.638
mm
(Equiv. 0.813 in.) - Bore (B)
9.525
mm
(Equiv. 0.375 in.) - Width (C) 19.050 mm
- E 25.400 mm
- Dynamic Load Rating 1601.181 kg
- Static Load Rating 3492.661 kg
- Material Stainless Steel
Product Compliance and Data
Additional Resources
Cross References
- 7796K83
- CCF-450
- CCF450


