
Miniature Bearings Australia
LCHF-0318-092-TSS - Datasheet
MBA
Category Information
Linear - Thomson Super Housings - Smart FlangedSmart Flanged Thomson Super Housings Linear. Includes Bearings.
- Provides 3 times the load capacity or 27 times the travel life of conventional linear bearings. Installed into a housing.
- Increased load capacity, self-aligning, lightweight and adjustable with a low coefficient of friction.
- Quick and easy replacement for high friction plain bearings. Wear-resistant, engineered-polymer retainers and outer sleeves reduce inertia and noise in critical, high speed applications.
Product Data
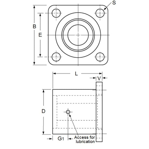
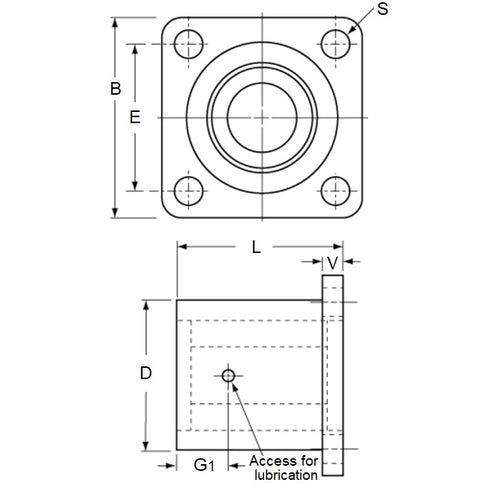
- Nominal Diameter
:
31.75
mm
(Equiv. 1.25 in.) - Flange Length and Width (B)
88.90
mm
(Equiv. 3.5 in.) - Bolt Distance and Dia. (S x E)
8.9 x 69.9
mm
(Equiv. 0.35 in.) - Length (L) 92.20 mm
- Width (D) 76.20 mm
- Flange Height (V) 16.00 mm
- Lube Hole Distance (G1) 42.42 mm
- Type Single
- Weight 16 Kg
- Dynamic Load Capacity 1049 kgf
Product Compliance and Data
Additional Resources
Cross References
- Reid Tool® TLM-1220
- QBC® TSS6UFB-20
- TLM1220
- TSS6UFB20


