
Miniature Bearings Australia
LCHF-0318-170-TSS - Datasheet
MBA
Category Information
Linear - Thomson Super Housings - Smart FlangedSmart Flanged Thomson Super Housings Linear. Includes Bearings.
Product Data
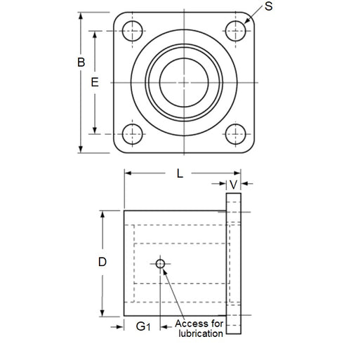
- Nominal Diameter
:
31.75
mm
(Equiv. 1.25 in.) - Flange Length and Width (B)
88.90
mm
(Equiv. 3.5 in.) - Bolt Distance and Dia. (S x E)
5/16-18 x 69.9
mm
(Equiv. 0.197 in.) - Length (L) 170.18 mm
- Width (D) 76.20 mm
- Flange Height (V) 22.86 mm
- Lube Hole Distance (G1) 85.09 mm
- Type Twin
- Weight 1.90 Kg
- Dynamic Load Capacity 2098 kgf
Product Compliance and Data
Additional Resources
Cross References
- QBC TSS6UTFB-20
- TLM1250
- TLM-1250
- TSS6UTFB20


