
Miniature Bearings Australia
MAG-SPR-32-005-AN - Datasheet
MBA
Category Information
Magnets - Side Pole Rotator AlnicoSide Pole Rotator Alnico Magnets. This is the main category in this series
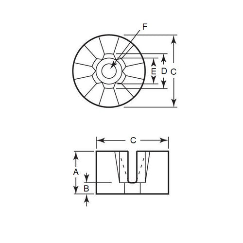
Product Data
- Diameter (C)
:
31.75
mm
(Equiv. 1.25 in.) - Alnico Grade 5
- Poles 6
- D 15.88 mm
- A 19.05 mm
- B 5.56 mm
- F 6.35 mm
- Holding Force 13.39 kg
Product Compliance and Data
Additional Resources
Cross References
- MAG947
- MAG-947


