
Miniature Bearings Australia
CC-314-349-C - Datasheet
MBA
Category Information
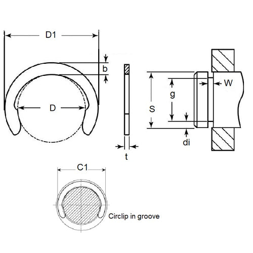
Retaining Rings - CrescentCrescent Retaining Rings. Variation of an E-Clip with an open face. Also known as a C-Clip.
- Narrow section height provides good clearance capabilities.
- Absence of teeth and deep set mean less thrust load ratings than e-clips.
- For best results install using the recommended applicator tool.
Product Data
- Groove Diameter (G)
:
31.42
mm
(Equiv. 1.237 in.) - Shaft Diameter (S)
34.93
mm
(Equiv. 1.375 in.) - Thickness (t)
1.27
mm
(Equiv. 0.05 in.) - Clip OD in groove (C1) 40.13 mm
- Clip OD Loose (D1) 39.50 mm
- Groove Width (W) 1.42
- Material Carbon Spring Steel Self Finish
Product Compliance and Data
Additional Resources
Cross References
- Military 16632-137/B
- Military 16632-137-B
- Waldes 5103-137/B
- Waldes 5103-137-B
- Ellison 9103-137/B
- Ellison 9103-137-B
- NoCor C-137/B
- Rotor Clip C-137/B
- NoCor C-137-B
- Rotor Clip C-137-B
- N1800137/B
- N1800-0137APP
- N1800-137/B
- N1800137B
- N18000137APP
- N1800-137-B
- 16632137B
- 16632137/B
- 9103137B
- 9103137/B
- 5103137B
- 5103137/B
- C137/B
- C137B


