
Miniature Bearings Australia
P-H-030-508FF-CB-N-0254U - Datasheet
MBA
Category Information
Pulleys - Inch Timing - 12.700mm Pitch H - 50.8mm Wide - Through BoreThrough Bore 50.8mm Wide 12.700mm Pitch H Inch Timing Pulleys. Timing Pulleys to suit H Series 12.700mm Pitch. Unfinished Bore.
- Timing pulleys combined with timing belts, provide power transmission without slippage.
- Timing pulleys are toothed pulleys used with timing belts to synchronize the movement of different mechanical components, ensuring precise timing and coordination.
- Some uses for timing pulleys include 3D printers, CNC machines, robotics and automation components, textile machinery, office equipment such as scanners and copiers, and medical devices requiring precise movement control.
- Steel and Cast Iron
- No grub screw
- Hub requires drilling and tapping
- Bore requires machining to finished size
Product Data
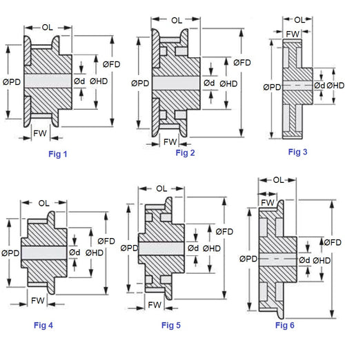
- Number of Teeth : 30
- Max Belt Width (W)
50.80
mm
(Equiv. 2 in.) - Bore (d)
25.400
mm
(Equiv. 1 in.) - Bore Type Unfinished
- Type 2
- Pitch Dia. (PD) 121.22 mm
- Flange Diameter (FD) 127.1 mm
- Overall Length 86.5 mm
- Hub Diameter (HD) 92.1
- Locking Type None
- Material Cast Iron
Product Compliance and Data
Additional Resources
Cross References
- Gates 30H200-6FS10
- 30H2006FS10


