
Miniature Bearings Australia
CMP-IS8-0320-180-4061 - Datasheet
MBA
Category Information
Clutches - Slip Magnetic Particle - No Power Integral ShaftNo Power Integral Shaft Slip Magnetic Particle Clutches. Requires no power.
- Sealed from contamination.
- Uses permanent magnets and magnetic particles.
- Constant torque levels.
- Zero maintenance - Long operational life.
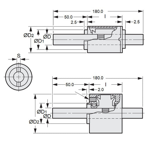
Product Data
- Optimum Torque Range : 3071 to 4061 g.cm
- Shaft Diameter (D)
8.000
mm
(Equiv. 0.315 in.) - Overall Length (L)
180.0
mm
(Equiv. 7.087 in.) - Static Torque 4082 g.cm
- Hub Diameter (D1) 15.0 mm
- Max. Speed 200 RPM
- Body Diameter 32.0 mm
- Shell (Material) Steel
- End Caps (Material) Plastic
Product Compliance and Data
Additional Resources
Cross References
- S90BPLMS08398042


