
Miniature Bearings Australia
RPO-039-041-C - Datasheet
MBA
Category Information
Retaining Rings - Push On - Carbon SteelCarbon Steel Push On Retaining Rings. M1465 / DTX / Seeger ZA and KS.
- An expanded range may be available on special order. Please enquire.
- Thrust load shown is calculated for ideal conditions with mild steel shaft.
- If no thrust load is shown, testing is suggested.
Product Data
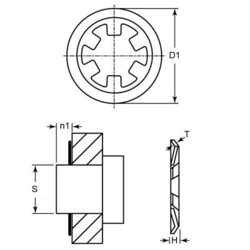
- Min shaft size (s1)
:
3.86
mm
(Equiv. 0.152 in.) - Max Shaft Size (s2)
4.06
mm
(Equiv. 0.16 in.) - Outside diameter (D1)
10.08
mm
(Equiv. 0.397 in.) - Min shaft extension (n1) 1.47 mm
- Height (H) Max. 1.09 mm
- Material Thickness (t) 0.25 mm
- Approx. Thrust Load 20 kg
- Material Carbon Steel
Product Compliance and Data
Additional Resources
Cross References
- Waldes 5115-015
- 98430A119
- NoCor TX-015
- Rotor Clip TX-015
- N1465-015
- N1465015
- N14650015
- N1465-0015
- N1465-0015APP
- N14650015APP
- TX015
- 5115015


