
Miniature Bearings Australia
KM095C-040-7L40-ST - Datasheet
MBA
Category Information
Knobs - Lobe - Seven Lobe - Male - StandardStandard Male Seven Lobe Lobe Knobs. Also see star knobs
- An expanded range may be available on special order. Please enquire.
Product Data
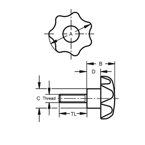
- Thread Size : 3/8-16 UNC (9.53mm)
- Head Diameter (A)
40.00
mm
(Equiv. 1.575 in.) - Thread Length
40.0
mm
(Equiv. 1.575 in.) - Colour Black
- Hub Diameter (C) 18.03 mm
- Hub Length (D) 12.95 mm
- Knob Height (B) 24.89 mm
- Material Plated Steel
Product Compliance and Data
Additional Resources
Cross References
- KaVo KBP-273
- KBP273


