
Miniature Bearings Australia
KM095C-040-NG - Datasheet
MBA
Category Information
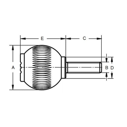
Knobs - Ball - Male Threaded - Novo-GripNovo-Grip Male Threaded Ball Knobs. Ergonomic Shape for easy gripping
- An expanded range may be available on special order. Please enquire.
- Unique styling for a very distinctive look
- Belt fluting for non-slip gripping
- Black thermoplastic with steel or stainless steel studs
Product Data
- Thread Size : 3/8-16 UNC (9.53mm)
- Head Diameter (A)
39.88
mm
(Equiv. 1.57 in.) - Thread Length (C)
20.1
mm
(Equiv. 0.791 in.) - Base Diameter (D) 19.05 mm
- Body Height (E) 42.42 mm
- Material Steel
Product Compliance and Data
Additional Resources
Cross References
- 6503K63
- GK470
- GK-470


