
Miniature Bearings Australia
KF095C-025-TPST - Datasheet
MBA
Category Information
Knobs - Ball - Female Threaded - Polished SteelPolished Steel Female Threaded Ball Knobs. Low carbon steel 12L14
- An expanded range may be available on special order. Please enquire.
Product Data
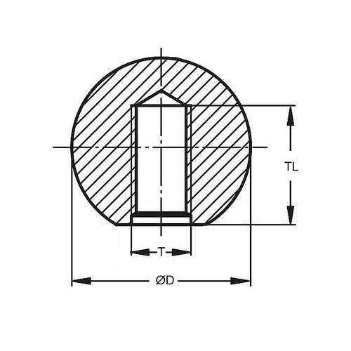
- Thread or Hole Size : 3/8-16 UNC (9.53mm)
- Diameter
25.40
mm
(Equiv. 1 in.) - Thread Minimum Depth
12.7
mm
(Equiv. 0.5 in.) - Material Steel
Product Compliance and Data
Additional Resources
Cross References
- 6045K56
- SB-24
- SB24


