
Miniature Bearings Australia
SS095C-0508-CZ - Datasheet
Brighton Best
Category Information
Socket Set Screws - Standard Cup Point - Zinc Plated DIN916Zinc Plated DIN916 Standard Cup Point Socket Set Screws. Standard grub screws. UNC - UNF - BA - METRIC.
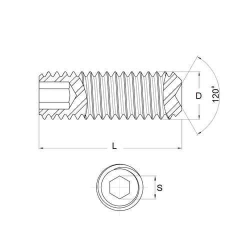
- Socket driven grub screw with a standard cup point.
Product Data
- Thread Size : 3/8-16 UNC (9.53mm)
- Thread Length (L)
50.8
mm
(Equiv. 2 in.) - Type Standard Cup Point
- Pitch 1.588 mm
- Threads Per Inch 16 TPI
- Finish Zinc Plated
- Material Carbon Steel
Product Compliance and Data
Additional Resources
- Screws & Nuts Catalogue
- Shoulder Screws Catalogue
- Socket Set (Grub) Screws Catalogue
- Thumb Screws & Thumb Nuts Catalogue
- Thread Size Chart - Combined Imperial & Metric
Cross References
- Brighton Best 873469


