
Miniature Bearings Australia
PLST-095C-287-HLC-006 - Datasheet
MBA
Category Information
Plungers - Spring - L Handle - Non LockingNon Locking L Handle Spring Plungers. Items shown with Long-Lok have a dry threadlocking sealant applied to thread.
- A compact mechanical component with a spring-loaded ball or pin inside a housing that applies consistent, predictable force. Internal spring compresses when pressure is applied to the ball or pin, allowing it to settle into designated positions or recess.
- Provides a reliable holding or locating mechanism in various industrial applications where precise alignment or securing of parts is needed.
- Also known as ball plungers or spring-loaded pins.
Product Data
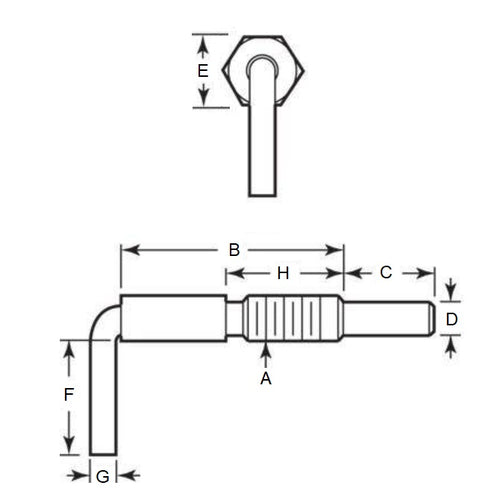
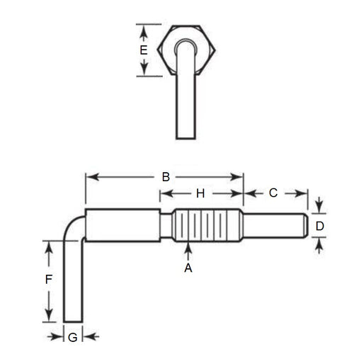
- Thread Size (A) : 3/8-16 UNC (9.53mm)
- Thread Length (B)
19.1
mm
(Equiv. 0.752 in.) - Initial Pressure (F1) 1.1 N
- Final Pressure (F2) 5.6 N
- Tip Diameter (D) 6.4 mm
- Tip Length (C) 7.6 mm
- Body Length (B) 28.7 mm
- Handle Diameter (G) 3.6 mm
- Handle Length (F) 14.2 mm
- Material Steel
Product Compliance and Data
Additional Resources
Cross References
- 8498A63
- FRSN37
- FRSN-37


