
Miniature Bearings Australia
CHE-107RS - Datasheet
MBA
Category Information
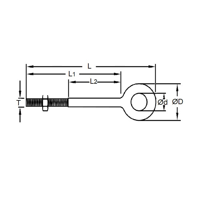
Eye Bolts - Partial Threaded Shank - Plain - Stainless SteelStainless Steel Plain Partial Threaded Shank Eye Bolts. 316 Stainless Steel
- Any deviations such as angular lifts, shock loads, modifications of the basic forging etc will result in drastically reduced maximum loads.
Product Data
- Thread Size : 3/8-16 UNC (9.53mm)
- Shank Length
63.500
mm
(Equiv. 2.5 in.) - Eye Inside Diameter
19.050
mm
(Equiv. 0.75 in.) - Rated Capacity 544 Kg
Product Compliance and Data
Additional Resources


