Miniature Bearings Australia - MBA Minibearings
Miniature Bearings Australia

CC-032-040-C - Datasheet

MBA

Category Information

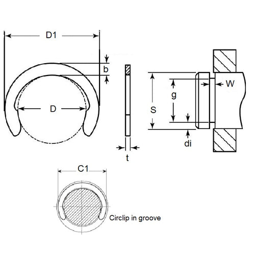
Retaining Rings - Crescent

Crescent Retaining Rings. Variation of an E-Clip with an open face. Also known as a C-Clip.

  • Narrow section height provides good clearance capabilities.
  • Absence of teeth and deep set mean less thrust load ratings than e-clips.
  • For best results install using the recommended applicator tool.

Product Data

  • Groove Diameter (G) : 3.20 mm
    (Equiv. 0.126 in.)
  • Shaft Diameter (S) 4.00 mm
    (Equiv. 0.157 in.)
  • Thickness (t) 0.4 mm
    (Equiv. 0.016 in.)
  • Clip OD in groove (C1) 5.200 mm
  • Clip OD Loose (D1) 5.000 mm
  • Groove Width (W) 0.44
  • Material Carbon Spring Steel Self Finish
Country of Origin: US

Product Compliance and Data

Additional Resources

    Cross References

    • 97414A610
    • NoCor DC-004
    • M18000040APP
    • M1800-0040APP
    • DC004
    View full details