
Miniature Bearings Australia
PUI032-0445-064-N-BB - Datasheet
MBA
Category Information
Pulleys - U Groove Idler - Single Row - Plastic With BearingPlastic With Bearing Single Row U Groove Idler Pulleys. Plastic and Steel with Steel Ball Bearings or Plain Bearings.
- Use with round belts such as Rounthane or O-Rings
Product Data
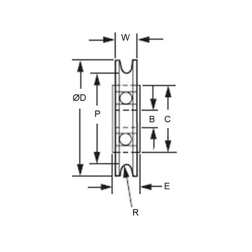
- Maximum Cable Diameter (H)
:
3.18
mm
+ 0.127 / - 0.000
(Equiv. 0.125 in.) - Outside Diameter (OD)
44.450
mm
(Equiv. 1.75 in.) - Bore (B)
6.350
mm
(Equiv. 0.25 in.) - Overall Width (OAL) 7.137
- Dia. to Base of Groove (P) 34.87 mm
- Type Ball Bearing - Unground - Heavy Dty
- Groove Radius (R) 1.676
- Material Nylon (Polyamide 6/6)
Product Compliance and Data
Additional Resources
Cross References
- 3434T16
- A6Z902808
- A6Z9-02808


