
Miniature Bearings Australia
RPO-031-033-SP15 - Datasheet
MBA
Category Information
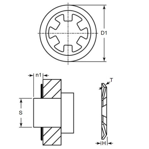
Retaining Rings - Push On - Stainless SteelStainless Steel Push On Retaining Rings. Rotor Clip TY. Stainless Steel hardness HR15N 82.5-86
- An expanded range may be available on special order. Please enquire.
- PH 15-7/17-7 Stainless Steel and 1.4310 Stainless Steel
Product Data
- Min shaft size (s1)
:
3.07
mm
(Equiv. 0.121 in.) - Max Shaft Size (s2)
3.28
mm
(Equiv. 0.129 in.) - Outside diameter (D1)
9.00
mm
(Equiv. 0.354 in.) - Min shaft extension (n1) 1.47 mm
- Material Thickness (t) 0.25 mm
- Material Stainless Steel Grade PH15-7-17
Product Compliance and Data
Additional Resources
Cross References
- Waldes 5115-012-SS
- NoCor TX-012-SS
- Rotor Clip TX-012-SS
- TX012SS
- 5115012SS
- N1465-012-SS
- N1465012SS


