
Miniature Bearings Australia
RPO-031-033-CZ - Datasheet
MBA
Category Information
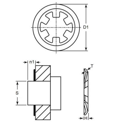
Retaining Rings - Push On - Carbon SteelCarbon Steel Push On Retaining Rings. M1465 / DTX / Seeger ZA and KS.
- An expanded range may be available on special order. Please enquire.
- Thrust load shown is calculated for ideal conditions with mild steel shaft.
- If no thrust load is shown, testing is suggested.
Product Data
- Min shaft size (s1)
:
3.07
mm
(Equiv. 0.121 in.) - Max Shaft Size (s2)
3.28
mm
(Equiv. 0.129 in.) - Outside diameter (D1)
9.00
mm
(Equiv. 0.354 in.) - Min shaft extension (n1) 1.47 mm
- Finish Zinc Plated
- Material Thickness (t) 0.25 mm
- Material Carbon Steel Zinc Plated
Product Compliance and Data
Additional Resources
Cross References
- Waldes 5115-012-ZD
- NoCor TX-012-ZD
- Rotor Clip TX-012-ZD
- N1465012ZD
- N1465-012-ZD
- TX012ZD
- 5115012ZD


