
Miniature Bearings Australia
P-XL-028-095FF-AL-GN-079 - Datasheet
MBA
Category Information
Pulleys - Inch Timing - 5.080mm Pitch XL - 9.5mm Wide - MetallicMetallic 9.5mm Wide 5.080mm Pitch XL Inch Timing Pulleys. Timing Pulleys to suit XL Series 5.080mm Pitch Timing Belts. Suits belts 9.0 to 9.6mm wide.
- Timing pulleys combined with timing belts, provide power transmission without slippage.
- Timing pulleys are toothed pulleys used with timing belts to synchronize the movement of different mechanical components, ensuring precise timing and coordination.
- Some uses for timing pulleys include 3D printers, CNC machines, robotics and automation components, textile machinery, office equipment such as scanners and copiers, and medical devices requiring precise movement control.
- Aluminium alloy and Black Oxide coated steel
- Finished bore with set screw locking
- Unfinished types requires drilling and tapping
- Bore requires machining to finished size
Product Data
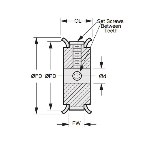
- Number of Teeth : 28
- Max Belt Width
9.50
mm
(Equiv. 0.374 in.) - Bore (d)
7.938
mm
(Equiv. 0.313 in.) - Bore Type Finished
- Type Double Flanged - Hubless
- Pitch Dia. (PD) 45.26 mm
- Flange Diameter (FD) 50.8 mm
- Overall Length (OL) 14.3 mm
- Hub Diameter (HD) No Hub
- Locking Type Set Screw Between Teeth
- Material Aluminium
Product Compliance and Data
Additional Resources
Cross References
- Gates 28XL037-3FA4
- 28XL0373FA4


