
Miniature Bearings Australia
CP-127-HUB-G-PR-30S - Datasheet
MBA
Category Information
Couplings - Geargrip - Precision HubsPrecision Hubs Geargrip Couplings. Match with sleeves from sleeves category
- An expanded range may be available on special order. Please enquire.
Product Data
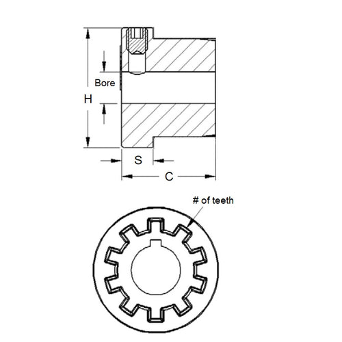
- Bore
:
12.700
mm
(Equiv. 0.5 in.) - Sleeve OD For Short Series 21.6mm with OD 28.95 or 30.48 mm
- Overall Length Assembled When Complete 38.10 mm
- Description Single Hub Only
- Hub Protrusion Assembled 8.382 mm
- Number of Teeth 8 Nr.
- Hub Length 27.686 mm
- Hub Diameter (C) 29.210 mm
Product Compliance and Data
Additional Resources
Cross References
- Reid Tool® GU-2205
- GU2205


