
Miniature Bearings Australia
CC-286-318-CZ - Datasheet
MBA
Category Information
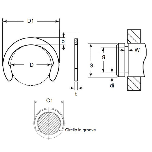
Retaining Rings - CrescentCrescent Retaining Rings. Variation of an E-Clip with an open face. Also known as a C-Clip.
- Narrow section height provides good clearance capabilities.
- Absence of teeth and deep set mean less thrust load ratings than e-clips.
- For best results install using the recommended applicator tool.
Product Data
- Groove Diameter (G)
:
28.60
mm
(Equiv. 1.126 in.) - Shaft Diameter (S)
31.75
mm
(Equiv. 1.25 in.) - Thickness (t)
1.27
mm
(Equiv. 0.05 in.) - Clip OD in groove (C1) 36.58 mm
- Clip OD Loose (D1) 35.94 mm
- Groove Width (W) 1.42
- Material Carbon Spring Steel Zinc Plated
Product Compliance and Data
Additional Resources
Cross References
- Military 16632-125-ZD/B
- Military 16632-125-ZD-B
- Waldes 5103-125-ZD/B
- Waldes 5103-125-ZD-B
- Ellison 9103-125-ZD/B
- Ellison 9103-125-ZD-B
- NoCor C-125-ZD/B
- Rotor Clip C-125-ZD/B
- NoCor C-125-ZD-B
- Rotor Clip C-125-ZD-B
- N1800-125-ZD/B
- N1800125ZDB
- N1800125ZD/B
- N1800-125-ZD-B
- 16632125ZDB
- 16632125ZD/B
- 9103125ZDB
- 9103125ZD/B
- 5103125ZD/B
- 5103125ZDB
- C125ZD/B
- C125ZDB


