
Miniature Bearings Australia
CC-286-318-C - Datasheet
MBA
Category Information
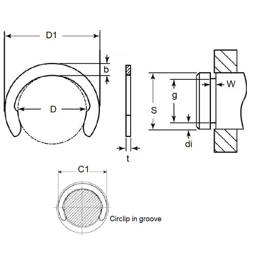
Retaining Rings - CrescentCrescent Retaining Rings. Variation of an E-Clip with an open face. Also known as a C-Clip.
- Narrow section height provides good clearance capabilities.
- Absence of teeth and deep set mean less thrust load ratings than e-clips.
- For best results install using the recommended applicator tool.
Product Data
- Groove Diameter (G)
:
28.60
mm
(Equiv. 1.126 in.) - Shaft Diameter (S)
31.75
mm
(Equiv. 1.25 in.) - Thickness (t)
1.27
mm
(Equiv. 0.05 in.) - Clip OD in groove (C1) 36.58 mm
- Clip OD Loose (D1) 35.94 mm
- Groove Width (W) 1.42
- Material Carbon Spring Steel Self Finish
Product Compliance and Data
Additional Resources
Cross References
- Military 16632-125/B
- Military 16632-125-B
- Waldes 5103-125/B
- Waldes 5103-125-B
- Ellison 9103-125/B
- Ellison 9103-125-B
- 97414A710
- NoCor C-125/B
- Rotor Clip C-125/B
- NoCor C-125-B
- Rotor Clip C-125-B
- N1800-125/B
- N1800125/B
- N1800125B
- N1800-125-B
- N1800-0125APP
- N18000125APP
- 16632125B
- 16632125/B
- 9103125/B
- 9103125B
- 5103125B
- 5103125/B
- C125/B
- C125B


