
Miniature Bearings Australia
NR-0260-060-080-B-ZZ - Datasheet
MBA
Category Information
Rollers - Idler with Bearing - Nylon CoveredNylon Covered Idler with Bearing Rollers. Nylon tyred rollers for heavy duty applications
- An expanded range may be available on special order. Please enquire.
- Nylon tyre (tire) covering a precision deep groove radial ball bearings
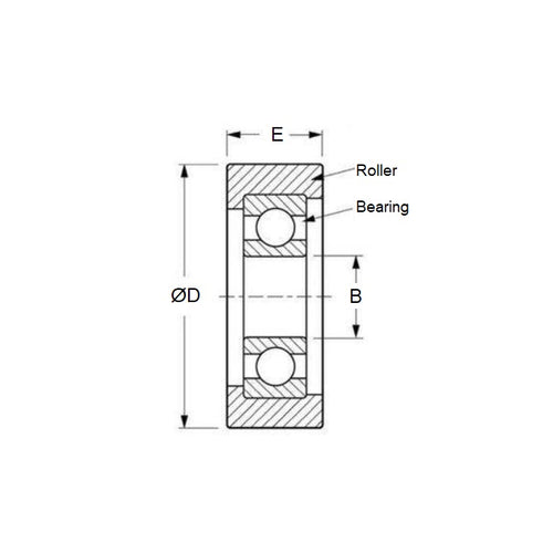
Product Data
- Outside Diameter (A)
:
26.00
mm
+/- 1.0
(Equiv. 1.024 in.) - Bore (d)
6.00
mm
(Equiv. 0.236 in.) - Roller Width (B)
8.00
mm
(Equiv. 0.315 in.) - Bearing Width (W) 6.00 mm
- Nylon Colour Black
- Material Nylon Covered Chrome Steel
Product Compliance and Data
Additional Resources


