
Miniature Bearings Australia
LCP-0250-035-040-FJ - Datasheet
MBA
Category Information
Linear - Sliding Bearings - Frelon J Lined - Closed - StandardStandard Closed Frelon J Lined Sliding Bearings Linear. Self lubricating. Eliminates galling and shaft damage. Dampens vibration for quiet smooth operation. High load capacity. Absorbs shock loads. Maintenance free. Chemically inert. Temp range -240 Deg C to +260 Deg C
- Frelon J = 10000 PV
- Dry Running Max Surface Speed Frelon J = 0.7 mtrs / sec (140 ft / min).
- With Lubrication Max Surface Speed Frelon J = 2 mtrs / sec (400 ft / min)
- Standard type has slightly larger running clearances.
Product Data
Deleted Item. Available while stocks last.
Please contact us first if you wish to use this item in a new design so we can check whether production can be resumed.
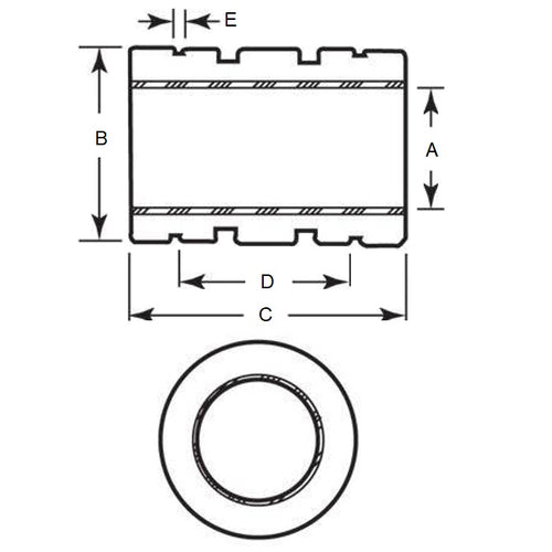
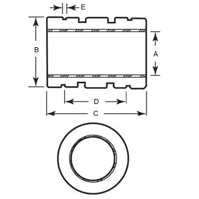
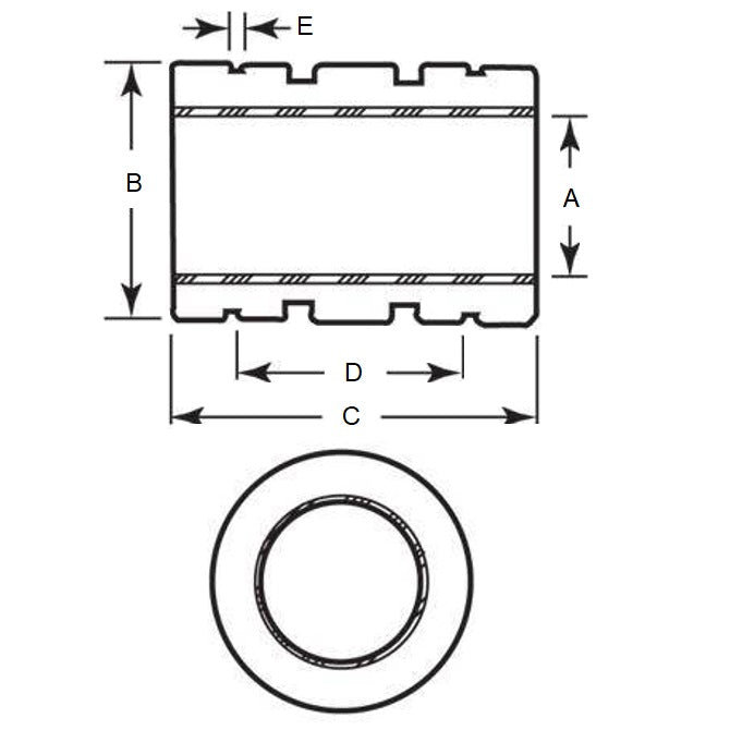
- Nominal Shaft Size (T)
:
25.000
mm
(Equiv. 0.984 in.) - Nom. Outer Diameter (D)
35.000
mm
(Equiv. 1.378 in.) - Overall Length (L)
40.000
mm
(Equiv. 1.575 in.) - Max. Load 10295 N
- Series Standard
- Type Closed
- O-Ring To Suit OR-030.50x2.50-NE70
- Retaining Ring To Suit N/A
- Material Frelon J Lined
Product Compliance and Data
Additional Resources
- Catalogue: Ceramic Bearings Catalogue
- Catalogue: Plastic Bearings Catalogue
- Catalogue: Standard Bearings Catalogue
- General: Bearing Cleanliness
- General: Bearing Clearances
- General: Bearing Flanges & Snap Rings
- General: Bearing Retainers (Cages)
- General: General Loads Information
- General: Lubrication
- General: Prefix & Suffix Guide
- General: Static vs Dynamic Loads
- Materials: 316 Stainless
- Materials: CASSTOP Anti-Corrosion Bearing Material
- Materials: Ceramic vs Ceramic Hybrid
- Materials: Ceramic Bearings in Vibratory Applications
- Materials: Ceramic Hybrid Bearings in Vibratory Applications
- Materials: General Bearing Materials
- Materials: Magnetism & Bearings
- Precision: 316 Stainless & Plastic Bearing Tolerances
- Precision: ABEC Basic Information
- Precision: Precision Bearing Tolerances
- Problem Solving: Bearing Failure
- Problem Solving: Fatigue (L10 Life)
- Problem Solving: Noise
Cross References
- S99BSCM25F035040


