
Miniature Bearings Australia
P-030H-025-090FF-ALN-G-080K - Datasheet
MBA
Category Information
Pulleys - Metric Timing - 3.000mm Pitch - HTD - 9mm Wide - MetallicMetallic 9mm Wide HTD 3.000mm Pitch Metric Timing Pulleys. Timing Pulleys to suit HTD 3.000mm Pitch Timing Belts. Suits belts 9.0 to 9.6mm wide.
- Timing pulleys combined with timing belts, provide power transmission without slippage.
- Timing pulleys are toothed pulleys used with timing belts to synchronize the movement of different mechanical components, ensuring precise timing and coordination.
- Some uses for timing pulleys include 3D printers, CNC machines, robotics and automation components, textile machinery, office equipment such as scanners and copiers, and medical devices requiring precise movement control.
- Aluminium alloy
- Finished through bore ready to assemble
- Set screw locking
Product Data
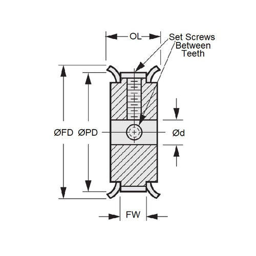
- Number of Teeth : 25
- Max Belt Width
9.00
mm
(Equiv. 0.354 in.) - Bore (d)
8.000
mm
(Equiv. 0.315 in.) - Bore Type Keyed
- Locking Type Set Screws
- Type Double Flanged - Hubless
- Pitch Dia. (PD) 23.87 mm
- Flange Diameter (FD) 28.00 mm
- Hub Diameter (HD) No Hub mm
- Set Screw Between Teeth
- Material Aluminium
Product Compliance and Data
Additional Resources
Cross References
- Misumi C-HTPA25H3M090-A-N8
- CHTPA25H3M090AN8


