
Miniature Bearings Australia
GM-064-D10-191-C - Datasheet
MBA
Category Information
Gears - Mitre - 10DP Steel10DP Steel Mitre Gears. 1:1 Ratio. 20 Degree Pressure Angle - Carbon steel
- An expanded range may be available on special order. Please enquire.
- Mitre gears are used with a matching gear of the same pitch and number of teeth.
- This provides a 1 to 1 ratio on a 90 Degree angle.
- See Gears - Bevel for other ratios.
Product Data
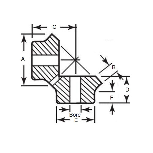
- Number of Teeth : 25
- Pitch Diameter (pd)
63.500
mm
(Equiv. 2.5 in.) - Bore (d)
19.050
mm
(Equiv. 0.75 in.) - Overall Length (L) 41.402 mm
- Hub Diameter (hd) 50.800 mm
- Each
- Hub Projection (F) 23.876 mm
- Mounting Distance (C) 61.925 mm
- Face Width (B) 14.224 mm
- Material Steel
Product Compliance and Data
Additional Resources
Cross References
- BOSTON L130Y
- GE-130
- GE130


