
Miniature Bearings Australia
SLQ-2540-3810-12700-T - Datasheet
MBA
Category Information
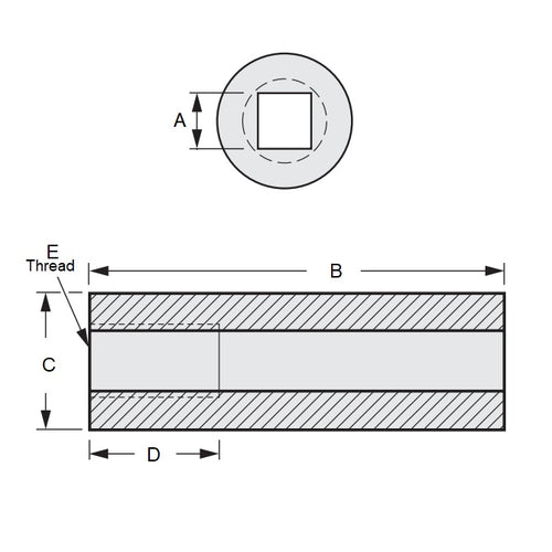
Sleeves - Square Hole - Threaded - Carbon SteelCarbon Steel Threaded Square Hole Sleeves. Square and concentric to 0.076mm (0.003in). Threaded.
- Precisely machined, round outer surface and a uniform, precisely square-shaped hole completely through its center.
Product Data
- Nominal Square Size
:
25.603
mm
+/- 0.0254
(Equiv. 1.008 in.) - Outside Diameter (C)
38.100
mm
(Equiv. 1.5 in.) - Length (B)
127.000
mm
(Equiv. 5 in.) - Actual Square Size (A) 25.400 mm
- Thread Depth (D) 38.100 mm
- Thread Size 1-1/8 UNF (28.575mm)
- Material Carbon Steel 11L17
Product Compliance and Data
Additional Resources
Cross References
- SHS-100
- SHS100
- A7C19T100
- A7C19-T100


