Miniature Bearings Australia - MBA Minibearings
Miniature Bearings Australia

WR16H-ZZ-NR - Datasheet

MBA

Category Information

Bearings - Single Row Ball - with Snap Ring - Extended Inner

Extended Inner with Snap Ring Single Row Ball Bearings. Single row radial ball bearings with extended inner ring (wide inner ring) and a snap ring on the OD.

  • Single row radial ball bearings are arguably the most common, widely used type of bearing. They consist of an inner ring, an outer ring, a set of balls, and a cage that retains the balls in a circular path.
  • Single row radial ball bearings are commonly used in a wide range of applications, including electric motors, fans, pumps, gearboxes, agricultural equipment, appliances, and automotive components.
  • They are versatile, cost-effective bearings that provide reliable support for radial loads and some axial loads in one direction. An expanded range may be available on special order. Please enquire.
  • If the size you require is not available, you might consider using a standard bearing with shim washers.

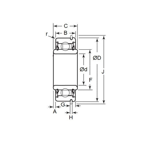
Product Data

This bearing has a snap ring on the OD

  • ID (d) : 25.400 mm + 0.000 / - 0.0127
    (Equiv. 1 in.)
  • OD (D) 50.800 mm + 0.000 / - 0.0153
    (Equiv. 2 in.)
  • Width (B) 15.875 mm + 0.000 / - 0.127
    (Equiv. 0.625 in.)
  • Inner Ring Width (Bn) 19.050 mm + 1.588
  • Flange Width (BF) 33.172 mm
  • Bearing Type Radial with Snp Ring
  • Notes Includes Snapring
  • Material Chrome Steel SAE 52100
  • Lubrication Type Grease
  • Lubrication Name Standard Unspecified
  • Basic Part WR16H
  • Limiting Speed 5000
  • Cage Type Standard
  • Static Load Rating KGf 600
  • Dynamic Load Rating KGf 1320
  • Radii 0.89 mm
  • Inner Shoulder (UI) 33.172mm
  • Outer Shoulder (UO) Undefined mm
  • Number of Balls Undefined
  • Clearance CN (5 to 20)
  • Precision Grade Abec 1
  • Closure Type ZZ
  • Max Temperature 120 Deg. C
Country of Origin: US

Product Compliance and Data

Additional Resources

Cross References

  • SKF9155
  • SKF-9155
  • WR16H
  • WR16H Basic Size Ref
View full details