
Miniature Bearings Australia
BP0254-0286-0191-BSHH3 - Datasheet
MBA
Category Information
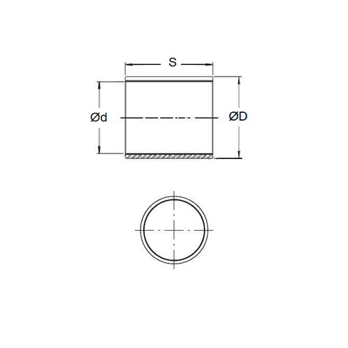
Bushes - Unflanged - Bronze - SinteredSintered Bronze Unflanged Bushes. Oil impregnated sintered bronze bushes.
- An expanded range may be available on special order. Please enquire.
- Precision items show an allowable Load Speed Rating in Newtons times RPM.
Product Data
- Nominal Inside Diameter (d)
:
25.400
mm
+ 0.064 / + 0.089
(Equiv. 1 in.) - Nominal Outside Diameter (D)
28.575
mm
+ 0.051 / + 0.076
(Equiv. 1.125 in.) - Length (s)
19.050
mm
+/- 0.127
(Equiv. 0.75 in.) - Material Bronze SAE 841 Sintered
Product Compliance and Data
Additional Resources
- DU Bush Material Information
- General Bushes Catalogue
- Sintered Bronze Products Catalogue
- Solid Bronze Bushes catalogue
Cross References
- Oilite AA1156
- Oilube AA1156
- Bunting EP161812
- Daemar P-100-6
- Oilube P-100-6
- Small Parts SBB-16-12
- P1006
- BP025402860191BSHH
- BP025402860191BS-HH
- BP025402860191BSHH2
- BP025402860191BSH2
- BP025402860191BSH1
- A7B4SP323606
- A7B4-SP323606
- SBB1612


