
Miniature Bearings Australia
BFX-02540-S440 - Datasheet
MBA
Category Information
Balls - Fixture - Stainless SteelStainless Steel Fixture Balls. 440C Hardened to RC 55-58.
- Fixture balls are precision components used in fixture design, tooling, and workholding applications.
- Fixture balls, also known as locating balls or tooling balls, serve as reference points or contact points in fixtures and jigs to facilitate accurate positioning, alignment, and repeatability during machining, assembly, and inspection processes.
- These balls are often mounted on fixtures, jigs, or workholding systems using various mounting methods, such as threaded, press-fit, or magnetic mounting.
- Ball and shank are concentric within 5 microns (0.0002 in.) TIR.
- Weld between ball and shank is designed so the ball will fall off if subject to unusually heavy lateral force, preventing set up and inspection errors that may occur because of a bent shaft.
Product Data
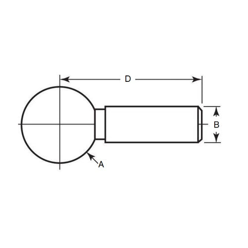
- Diameter (A)
:
25.400
mm
+/- 0.0025
(Equiv. 1 in.) - Shank Diameter (C)
12.692
mm
+ 0 / - 0.0051
(Equiv. 0.5 in.) - Base to Centre (B)
41.148
mm
+/- 0.127
(Equiv. 1.62 in.) - Material Stainless Steel
Product Compliance and Data
Additional Resources
Cross References
- JFB29007
- JFB-29007


