
Miniature Bearings Australia
LCP-0254-040-057-CC - Datasheet
MBA
Category Information
Linear - Sliding Bearings - Ceramic CoatedCeramic Coated Sliding Bearings Linear. Approved for direct food contact in applications where animal fat or food approved lubricants are present.
- Able to withstand rapid oscillation, contamination, shock/vibration, wash downs, submersion and shaft brinelling.
- Minimum shaft hardness RC35. Max PV 40,000. Temperature range -125 oC to +226 Deg C.. Max static PSI 5000.
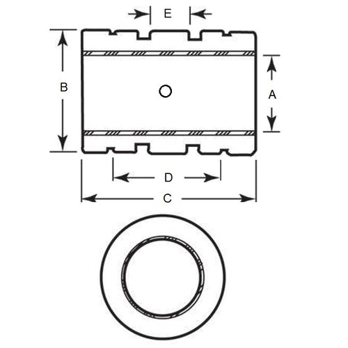
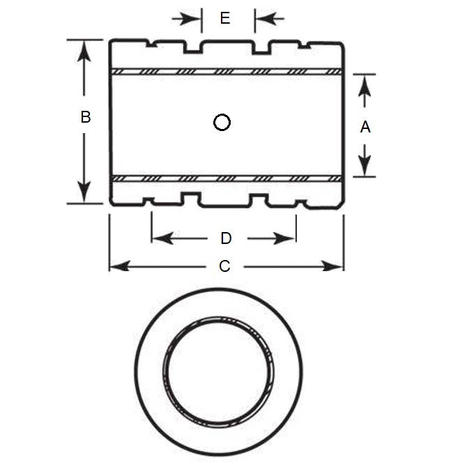
Product Data
- Nominal Shaft Size (T)
:
25.42
mm
(Equiv. 1.001 in.) - Nom. Outer Diameter (D)
39.69
mm
(Equiv. 1.563 in.) - Overall Length (L)
57.15
mm
(Equiv. 2.25 in.) - Max. Load 46474 N
- Groove Distance (D) 41.28 mm
- Type Closed
- Material Ceramic Coated Steel
Product Compliance and Data
Additional Resources
- Catalogue: Ceramic Bearings Catalogue
- Catalogue: Plastic Bearings Catalogue
- Catalogue: Standard Bearings Catalogue
- General: Bearing Cleanliness
- General: Bearing Clearances
- General: Bearing Flanges & Snap Rings
- General: Bearing Retainers (Cages)
- General: General Loads Information
- General: Lubrication
- General: Prefix & Suffix Guide
- General: Static vs Dynamic Loads
- Materials: 316 Stainless
- Materials: CASSTOP Anti-Corrosion Bearing Material
- Materials: Ceramic vs Ceramic Hybrid
- Materials: Ceramic Bearings in Vibratory Applications
- Materials: Ceramic Hybrid Bearings in Vibratory Applications
- Materials: General Bearing Materials
- Materials: Magnetism & Bearings
- Precision: 316 Stainless & Plastic Bearing Tolerances
- Precision: ABEC Basic Information
- Precision: Precision Bearing Tolerances
- Problem Solving: Bearing Failure
- Problem Solving: Fatigue (L10 Life)
- Problem Solving: Noise
Cross References
- LMB120
- LMB-120


