
Miniature Bearings Australia
PBC-330RS - Datasheet
MBA
Category Information
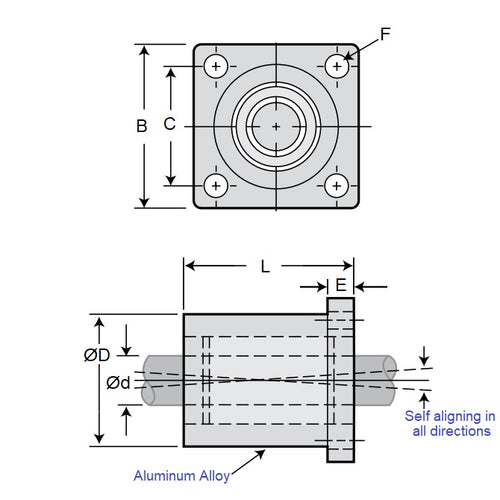
Linear - Housings Flanged 4 Bolt FrelonHousings Flanged 4 Bolt Frelon Linear. Single and double length
- Bearing is Frelon Gold -tm- encased in a flanged housing made from 6061-T6 aluminium. Double length has two bearings mounted internally.
- For rotating and linear motion.
Product Data
- Nominal Shaft Size
:
25.400
mm
+ 0.10 / + 0.05
(Equiv. 1 in.) - Base Height (C)
69.850
mm
(Equiv. 2.75 in.) - Length (A)
142.875
mm
(Equiv. 5.625 in.) - Overall Height (E) 322.580 mm
- Housing Height (D) 57.150 mm
- Bolt Centres (E) 53.975 mm
- Bolt Hole Size (G) 6.350 mm
- Material Frelon
Product Compliance and Data
Additional Resources
Cross References
- Pacific DFP-16
- DFP16


