
Miniature Bearings Australia
NCF30RS - Datasheet
MBA
Category Information
Cam Followers - Bronze Bushing Self LubricatingBronze Bushing Self Lubricating Cam Followers. This is the main category in this series
Product Data
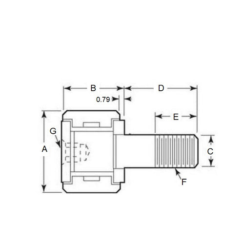
- Diameter (A)
:
25.400
mm
(Equiv. 1 in.) - Length
41.275
mm
(Equiv. 1.625 in.) - Thread (F) 7/16-20 UNF
- Thread Length (E) 12.700 mm
- Roller Width (B) 15.875 mm
- Material Steel and Bronze
Product Compliance and Data
Additional Resources
Cross References
- NCF-30
- NCF30


