
Miniature Bearings Australia
LVL-15RS - Datasheet
MBA
Category Information
Bumpers - DomedDomed Bumpers. Built in steel screw for easy instrallation. Made with abrasion resistant SBR rubber. Resistant to abrasion and oxidation. Excellent cushioning and vibration control.
- Non staining, non marring polyurethane. Also see Mounts - Buffers
- Sold by the pad - number of bumpers per pad shown in the listings.
- Peel off and apply.
- Clear.
- 60-70 Shore A hardness.
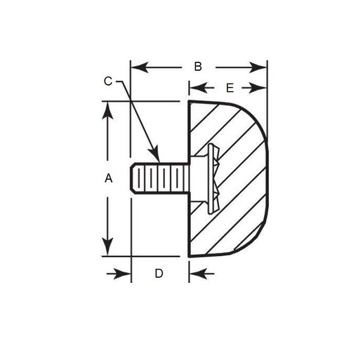
Product Data
- Diameter (A)
:
25.400
mm
(Equiv. 1 in.) - Overall Height (B)
22.225
mm
(Equiv. 0.875 in.) - Thread 10-24 UNC (4.76mm)
- Thread Length (D) 9.525 mm
- Bumper Height (E) 12.700 mm
- Material Elastomer
Product Compliance and Data
Additional Resources


