
Miniature Bearings Australia
CCF115RS - Datasheet
MBA
Category Information
Roller Followers - StandardStandard Roller Followers. This is the main category in this series
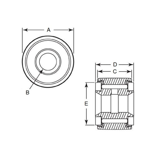
Product Data
- Diameter (A)
:
25.400
mm
(Equiv. 1 in.) - Overall Width (D)
17.463
mm
(Equiv. 0.688 in.) - Bore (B)
7.938
mm
(Equiv. 0.313 in.) - Width (C) 15.875 mm
- E 18.256 mm
- Dynamic Load Rating 1009.243 kg
- Static Load Rating 2775.985 kg
- Material Steel
Product Compliance and Data
Additional Resources
Cross References
- 6831K43
- Reid Tool® CCF-115
- CCF115


