
Miniature Bearings Australia
LCHF-0254-071-TS - Datasheet
MBA
Category Information
Linear - Thomson Super Housings - FlangedFlanged Thomson Super Housings Linear. Includes Bearings.
Product Data
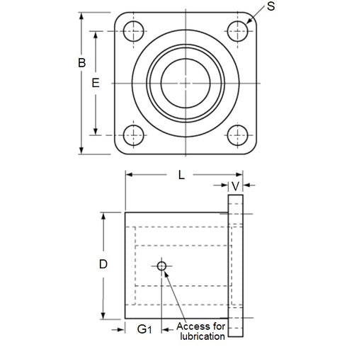
- Nominal Diameter
:
25.40
mm
(Equiv. 1 in.) - Flange Length and Width (B)
69.85
mm
(Equiv. 2.75 in.) - Bolt Distance and Dia. (S x E)
7.1 x 53.98
mm
(Equiv. 0.28 in.) - Length (L) 71.37 mm
- Width (D) 57.15 mm
- Flange Height (V) 12.70 mm
- Lube Hole Distance (G1) 32.26 mm
- Type Single
- Dynamic Load Capacity 848 kgf
Product Compliance and Data
Additional Resources
Cross References
- TLM815
- TLM-815


