
Miniature Bearings Australia
LCHF-0254-135-TSS - Datasheet
MBA
Category Information
Linear - Thomson Super Housings - Smart FlangedSmart Flanged Thomson Super Housings Linear. Includes Bearings.
Product Data
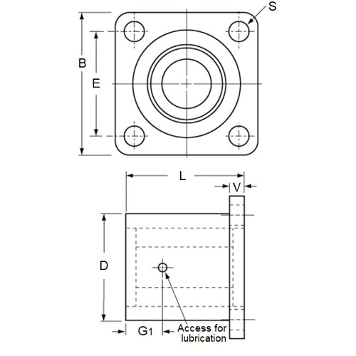
- Nominal Diameter
:
25.40
mm
(Equiv. 1 in.) - Flange Length and Width (B)
69.85
mm
(Equiv. 2.75 in.) - Bolt Distance and Dia. (S x E)
5/16-18 x 54.0
mm
(Equiv. 0.197 in.) - Length (L) 135.38 mm
- Width (D) 57.15 mm
- Flange Height (V) 22.86 mm
- Lube Hole Distance (G1) 67.82 mm
- Type Twin
- Weight 0.88 Kg
- Dynamic Load Capacity 1696 kgf
Product Compliance and Data
Additional Resources
Cross References
- QBC TSS6UTFB-16
- TLM1245
- TLM-1245
- TSS6UTFB16


