
Miniature Bearings Australia
MAG-SPR-25-005-AN - Datasheet
MBA
Category Information
Magnets - Side Pole Rotator AlnicoSide Pole Rotator Alnico Magnets. This is the main category in this series
Product Data
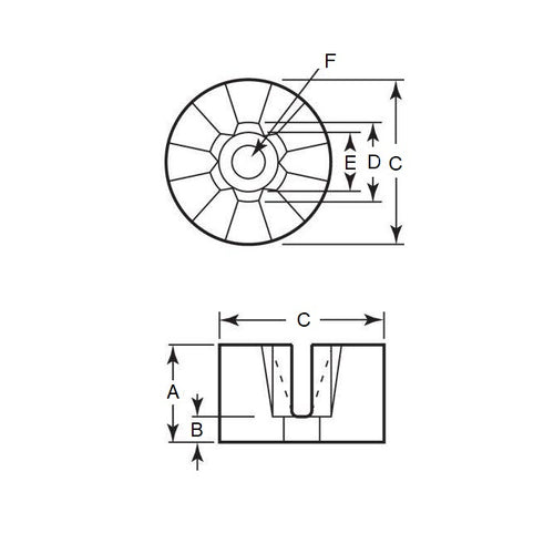
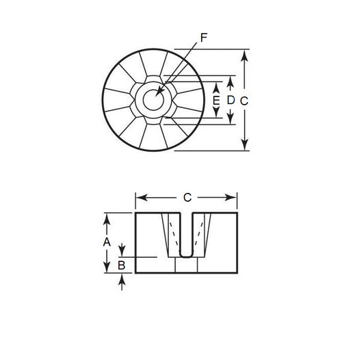
- Diameter (C)
:
25.4
mm
(Equiv. 1 in.) - Alnico Grade 5
- Poles 4
- D 12.70 mm
- E 12.70 mm
- A 19.05 mm
- B 6.35 mm
- F 6.35 mm
- Holding Force 8.04 kg
Product Compliance and Data
Additional Resources
Cross References
- MAG940
- MAG-940


